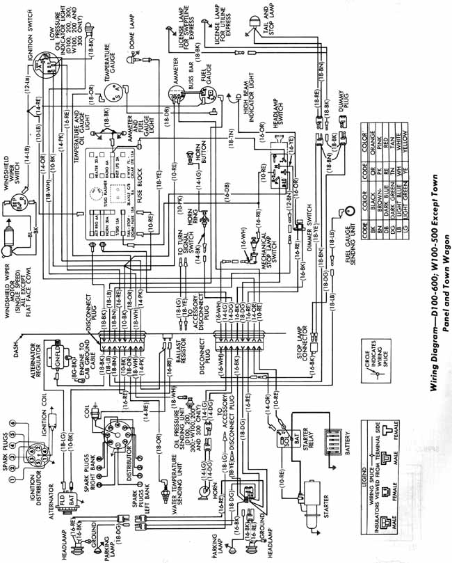
Schematic of W100 - W500 and D100 - D600 Wiring

Return to of the Dodge Power Wagon Specifications page of the
Vintage Dodge Power Wagon and Zündapp KS601 site at http://home.wmol.com/mechaniq